Существует несколько терминов обозначающих тип дискретных входов и выходов -

  • "P-schaltend",  "P-lesend" (нем.)
  • "M-schaltend", "M-lesend" (нем.) 
  • "sinking", (англ.)
  • "sourcing" (англ.)

От правильного трактования данных терминов зависит корректность выбора того или иного дискретного модуля, схемы подключения и понимания какой уровень сигнала даст программную логическую "1" или "0" в каждом конкретном приложении.

Информация дающая представление о данных терминах приведена в виде таблиц:

Цифровые входа - Digital inputs (24V)

Термин Логическое значение
Электрический сигнал

Схема коммутации

"P-lesend"

"Sinking input"

Ключ расположен между шиной +24V и модулем

Общий "+" - контакт модуля является потребителем тока

1 (true) 24V

sinking input example

0 (false) 0V (или открыт)
"M-lesend"

"Sourcing input"

Ключ расположен между модулем и земляной шиной (GND)

Общий "-" контакт модуля является источником тока

1 (true) 0V sourcing input example
0 (false) 24V (или открыт)

 

Цифровые выхода - Digital outputs (24V)

Термин Логическое значение Электрический сигнал

Схема коммутации

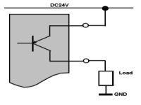
"P-schaltend"

"Sourcing output"

PNP Transistor

Нагрузка подключена между модулем и земляной шиной (GND)

Общий "-" контакт модуля является источником тока

1 (true) 24V

sourcing output example

0 (false) 0V (или открыт)
"M-schaltend"

"Sinking output"

NPN Transistor

Нагрузка подключена между шиной +24V модулем.

Общий "+" - контакт модуля является потребителем тока

1 (true) 0V sinking output example
0 (false) 24V (или открыт)

 

Все модули дискретных входов и выходов S7-300, S7-400 и ET200S имеют тип "Sinking input" или "Sourcing output", за исключением модулей перечисленных в таблице ниже.

Модули SIMATIC S7-300
6ES7 321-1BH50-0AB00 "Sourcing input"
6ES7 321-1BP00-0AB0 "Sinking input" или "Sourcing input"
6ES7 350-1AH03-0AB0 "Sinking input" или "Sourcing input" входа энкодера
6ES7 322-1BP50-0AA0 "Sinking output"
6ES7 326-2BF40-0AB0 "Sourcing output" или "Sinking output"
6ES7 352-5AH00-0AE0 "Sinking output"
Модули SIMATIC S7-400
6ES7 421-7DH00-0AB0 "Sinking input" или "Sourcing input"
6ES7 450-1AP00-0AE0 "Sinking input" или "Sourcing input" encoder inputs
Модули SIMATIC ET200S
6ES7 131-4BD51-0AA0 "Sourcing input"
6ES7 131-4BF50-0AA0 "Sourcing input"
6ES7 138-4DA04-0AB0 "Sinking input" или "Sourcing input" входа энкодера
6ES7 132-4BD50-0AA0 "Sinking output"
6ES7 132-4BF50-0AA0 "Sinking output"
6ES7 138-4FB02-0AB0 "Sourcing output" или "Sinking output"

 

За более подробной информацией о модулях ввода-вывода (включая электрические характеристики, функциональные схемы и примеры схем подключения), обратитесь к документации в приложении к данному материалу): S7-300 Данные модулей.pdf