Аккумуляторная батарея (технология AGM) CSB серии GP (General Purpose - серия общего применения) 12В 4,5 Ач (GP 1245) наиболее часто используется в источниках бесперебойного питания (ИБП, UPS). Такие производители как APC и Eaton устанавливают в своё оборудование батареи CSB.

csb gp 1245

 

Спецификация батареи CSB GP 1245
Номинальное напряжение 12 В 
Номинальная емкость  4,5 Ач (при 20-часовом разряде до Uкон. - 1.75 В/Эл при 25°C)
Срок службы (в буферном режиме) 5 лет
Количество рабочих циклов (в циклическом режиме) 260
Вес 1,66 кг
Длина 92.8 мм
Ширина 69.9 мм
Высота 102 мм (с клеммами 108 мм)
Количество элементов в блоке 6
Максимальный ток разряда 60А/90A (5 сек)
Внутреннее сопротивление 40.5 мОм
Диапазон рабочих температур

разряд: от -20°C до +50°C

заряд: от -20°C до +40°C

хранение:от -20°C до +40°C

Номинальная рабочая температура

25°C

Напряжение подзаряда

13.5 - 13.8 В при 25°C

Максимальный ток заряда

1.35 А (при заряде постоянным током),

в режиме постоянного подзаряда Imax не ограничен

Напряжение заряда при циклическом режиме

14.4 - 15 В при 25°C

Саморазряд

низкий саморазряд, аккумулятор может храниться без подзаряда при 25°C более 6-ти месяцев

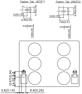
Клеммы

F2 - Faston Tab 250

габаритные размеры CSB GP 1245 габаритные размеры батареи CSB GP 1245 габаритные размеры батареи CSB GP 1245