Аккумуляторная батарея (технология AGM) CSB серии GP (General Purpose - серия общего применения) 12В 7,2 Ач (GP 1272 F2) наиболее часто используется в источниках бесперебойного питания (ИБП, UPS). Такие производители как APC и Eaton устанавливают в своё оборудование батареи CSB. Также данные батареи используются в охранно - пожарных системах.
Аналоги, совместимые, допустимые замены для батареи CSB GP1272
Батарея CSB GP1272 в источниках бесперебойного питания APC
Номинальное напряжение | 12 В |
Номинальная емкость | 7,2 Ач (при 20-часовом разряде до Uкон. - 1.75 В/Эл при 25°C) |
Срок службы (в буферном режиме) | 5 лет |
Количество рабочих циклов (в циклическом режиме) | 260 |
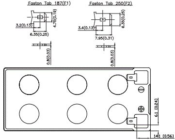
Вес | 2,4 кг |
Длина | 151 мм |
Ширина | 65 мм |
Высота | 94 мм (с клеммами 100 мм) |
Количество элементов в блоке | 6 |
Максимальный ток разряда | 100А/130A (5 сек) |
Внутреннее сопротивление | 23 мОм |
Диапазон рабочих температур |
разряд: от -20°C до +50°C заряд: от -20°C до +40°C хранение:от -20°C до +40°C |
Номинальная рабочая температура |
25°C |
Напряжение подзаряда |
13.5 - 13.8 В при 25°C |
Максимальный ток заряда |
2.16 А (при заряде постоянным током), в режиме постоянного подзаряда Imax не ограничен |
Напряжение заряда при циклическом режиме |
14.4 - 15 В при 25°C |
Саморазряд |
низкий саморазряд, аккумулятор может храниться без подзаряда при 25°C более 6-ти месяцев |
Клеммы |
F2 - Faston Tab 250 |
Батарея | Аналог |
---|---|
CSB GP1272 | Yuasa NP7-12 В.В. Battery BC 7-12 Long WP 7.2-12 Vision CP 1270 Panasonic LC-P127R2P SVEN SV1270 / SVEN SV1272 Delta HR 12-7.2 |
Модель ИБП | Артикул производителя для оригинального комплекта замены |
Количество батарей CSB GP1272 |
---|---|---|
Back-UPS BC500-RS | APCRBC110 | 1 шт. |
Back-UPS BE525-RS | RBC2 | 1 шт. |
Back-UPS BE550-GR | RBC2 | 1 шт. |
Back-UPS BE550G-RS | APCRBC110 | 1 шт. |
Back-UPS BE550-IT | RBC2 | 1 шт. |
Back-UPS BE550-RS | RBC2 | 1 шт. |
Back-UPS BH500INET | RBC2 | 1 шт. |
Back-UPS BK325I | RBC2 | 1 шт. |
Back-UPS BK325-RS | RBC2 | 1 шт. |
Back-UPS BK350EI | RBC2 | 1 шт. |
Back-UPS BK475I | RBC2 | 1 шт. |
Back-UPS BK475-RS | RBC2 | 1 шт. |
Back-UPS BK500EI | RBC2 | 1 шт. |
Back-UPS BK500-RS | RBC2 | 1 шт. |
Back-UPS BR1000I | RBC32 | 2 шт. |
Back-UPS BR1100CI-RS | APCRBC113 | 2 шт. |
Back-UPS BR500I | RBC2 | 1 шт. |
Back-UPS BR550GI | APCRBC110 | 1 шт. |
Back-UPS BR650CI-RS | APCRBC110 | 1 шт. |
Back-UPS BR800I | RBC32 | 2 шт. |
Back-UPS BR900GI | APCRBC123 | 2 шт. |
Back-UPS BR900G-RS | APCRBC123 | 2 шт. |
Back-UPS BX1100CI | APCRBC113 | 2 шт. |
Back-UPS BX1100CI-RS | APCRBC113 | 2 шт. |
Back-UPS BX650CI | APCRBC110 | 1 шт. |
Back-UPS BX650CI-RS | APCRBC110 | 1 шт. |
Smart-UPS SC1500I | RBC59 | 4 шт. |
Smart-UPS SC420 | RBC2 | 1 шт. |
Smart-UPS SC420I | RBC2 | 1 шт. |
Smart-UPS SMT1000RMI2U | RBC23 | 4 шт. |
Smart-UPS SMT750I | RBC48 | 2 шт. |
Smart-UPS SMT750RMI2U | APCRBC123,APCRBC123J | 2 шт. |
Smart-UPS SMX1000I | APCRBC116 | 4 шт. |
Smart-UPS SMX750I | APCRBC116 | 4 шт. |
Smart-UPS SU1000R2IBX120 | RBC23 | 4 шт. |
Smart-UPS SU1000RMI2U | RBC23 | 4 шт. |
Smart-UPS SU2200R3IBX120 | RBC12 | 8 шт. |
Smart-UPS SU2200RMI3U | RBC12 | 8 шт. |
Smart-UPS SU3000R3IBX120 | RBC12 | 8 шт. |
Smart-UPS SU3000RMI3U | RBC12 | 8 шт. |
Smart-UPS SU420INET | RBC2 | 1 шт. |
Smart-UPS SU5000I | RBC12 | 16 шт. |
Smart-UPS SU5000R5IBX120 | RBC12 | 16 шт. |
Smart-UPS SU5000RMI5U | RBC12 | 16 шт. |
Smart-UPS SU5000RMXLI5U | RBC12 | 16 шт. |
Smart-UPS SU700I | RBC5 | 2 шт. |
Smart-UPS SU700INET | RBC5 | 2 шт. |
Smart-UPS SU700R2IBX120 | RBC22 | 2 шт. |
Smart-UPS SU700RMI2U | RBC22 | 2 шт. |
Smart-UPS SUA1000RMI2U | RBC23 | 4 шт. |
Smart-UPS SUA750I | RBC48 | 2 шт. |
Smart-UPS SUA750RMI2U | RBC22 | 2 шт. |
Smart-UPS DP External Battery SUDPBP1 | 32 шт. | |
Smart-UPS DP External Battery SUDPBP2 | 64 шт. | |
Battery Module for Symmetra PX, Smart-UPS VT or Galaxy 3500 SYBT4 | SYBTU1-PLP | 32 шт. |